Закладная деталь ЗД-3

Закладная деталь ЗД-3, цена:
по запросу
Нажимая на кнопку, вы даёте своё согласие на обработку ваших персональных данных

Закладная деталь ЗД-3 заказать, низкие цены на изготовление и производство для железобетонных конструкций в Новом Уренгое закладная деталь ЗД-3 по чертежам заказчика под ключ можно в компании ГлавМеталлКомплект.

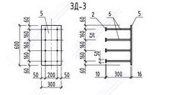
Закладная деталь ЗД-3: технические характеристики

ХарактеристикаЗначение
Длина арматуры300 мм
Диаметр арматуры16 мм
Класс арматурыА400
Длина пластины300 мм
Ширина пластины600 мм
Кол-во арматуры8 шт.

Закладная деталь ЗД-3: чертежи

Закладная деталь ЗД-3 схема

Закладная деталь ЗД-3

Этапы работ
Оставьте заявку на консультацию и мы свяжемся с Вами
Мы в цифрах
Ежегодная отгрузка более
25000

тонн металлопроката

Сортамент - более
17600

единиц металлопроката

Более
11300

новых клиентов в год

Реализованные проекты
Ячейковый портал в Кызыле, изготовление под ключ + монтаж

В июне 2025 г сдали ячейковый портал, в августе произвели монтаж. Изготовили за 30-35 рабочих дней.

Изготовление воздухозаборных труб

Изготовили под ключ воздухозаборные трубы диаметром 500 мм H-15 м и диаметром 700 мм H-5 м

Изготовление закладных цилиндров

Цилиндры закладные из листа 40 мм для Волковского ГОК. Изготовлено 8 штук за 1,5 месяца общий тоннаж 68 тонн

Изготовление и монтаж металлоконструкций крытого навеса на Екатеринбургской ТЭЦ

С июля 2023 по сентябрь 2023 проведены работы по подготовке площадки, изготовлению и монтажу металлоконструкций крытого навеса на Екатеринбургской ТЭЦ. Для обеспечения устойчивости конструкции, оперативно произведены ранее неучтённые работы по устройству армированного фундамента (изготовление и монтаж армокаркасов). Все работы, вплоть от расчёта нагрузок и монтажа выполнены специалистами ГлавМеталлКомплект. Общий вес конструкций (включая армокаркасы и профнастил Н75) составил 72 тоны.

Производим косоуры для лестниц на склад хранения продукции

Производим косоуры для лестниц на склад хранения продукции широкого потребления. Конструкция состоит из листового проката, профильных труб, гнутого швеллера. Покрытие – полимерно-порошковое RAL 2008.

Изготовление опорных рам ОРМП для дорожной отрасли РФ

В октябре-декабре 2023г. выполнена поставка более чем 200 тон металлоконструкций для дорожной отрасли РФ. Опорные рамы ОРМП 30-40 метром изготавливались под строгим контролем специалиста УЗК, в соответствие всей конструкторской документации. Заказ подарил незабываемые эмоции и драгоценный опыт работы, что в конечном итоге, качественно отразилось на результате – объект открыт точно в срок.

Изготовление дымохода высотой в 18 метров

В январе изготовлен дымоход для объекта в центральной России. Габариты конструкции 1,5х1,х1,5х18,5 м изготовлены и защищены от коррозии системой ГФ/ПФ за 16 календарных дней, включая работу в праздничные дни.

Изготовление антенной опоры АО-49

В июле, для объекта в ЯНАО изготовлены решетчатые конструкции антенной опоры 49м в количестве 4шт. (вес 1шт. ориентировочно 17,2тн). Цельносварные конструкции габаритными размерами от 2,1х2,1х6,4м до 3,3х3,3х7,2м собраны и обварены в рекордные сроки (от обеспечения металлом до отгрузки последних секций – 27 календарных дней), а за счёт чёткого соблюдения производственного плана и графика АКЗ, удалось оперативно вывозить конструкции, не останавливая производственный цикл.

В комплекте с метизами стоимость 1 опоры составила 2,74 млн. руб.

Изготовление путевых тяг ТП-24

Изготовлена очередная партия путевых тяг ТП-24 (М24 L=1670мм) в кол-ве 50шт. На этом укладка путей в мкрн. Академический г. Екатеринбурга завершилась. Производительность на данном типоразмере составила 50шт. за смену 8ч. (пила, накатка резьбы с 2х сторон)

Цена изделия составила 1050 руб./шт. в комплекте с метизами.

Изготовление тяги/петли опрокидывателя ковша на самосвал Shacman

Для частного заказчика изготовлены тяги/петли опрокидывателя ковша на самосвал Shacman. По изношенной старой детали сняты замеры, выпущен чертеж и вырезана деталь. Опытная партия 8 штук подготовлена за 5 часов.

Руководители
Рязанов Евгений Евгеньевич
Рязанов Евгений Евгеньевич
Иванова Татьяна Константиновна
Иванова Татьяна Константиновна
Главный бухгалтер
Кузнецова Елена Сергеевна
Кузнецова Елена Сергеевна
Помощник руководителя

ООО «ГлавМеталлКомплект» | ИНН: 6679188804 | ОГРН: 1269600004475 | Цены на сайте не являются публичной офертой